Plancher radiant hydronique au glycol - Confort uniforme et performance durable

Optez pour un plancher chauffant hydronique au glycol et profitez d’un confort supérieur, d’une chaleur uniforme et d’une efficacité énergétique optimale.

Vous pensez installer un plancher chauffant hydronique pour améliorer le confort de votre maison? Le plancher radiant au glycol est une solution performante qui procure une chaleur douce, uniforme et silencieuse, tout en optimisant l’efficacité énergétique de votre système de chauffage.

Contrairement aux systèmes de chauffage traditionnels, le plancher radiant hydronique diffuse la chaleur de façon homogène dans toute la pièce, éliminant les zones froides et améliorant le confort au quotidien. Le mélange eau-glycol, lorsque requis, permet également de protéger le système contre le gel, ce qui en fait une solution particulièrement adaptée aux conditions climatiques du Québec et à certaines installations comme les dalles sur sol, garages ou bâtiments annexes.

Que ce soit pour une nouvelle construction, une rénovation ou l’installation d’un système dans une zone précise, notre équipe vous accompagne dans le choix, la conception et l’installation afin d’assurer une performance durable, sécuritaire et parfaitement adaptée à votre habitation.

Demander un appel






    Ceci est un bon numéro pour me rejoindre.

    Votre vie privée est importante pour nous

    RADIANTLOGO

    À qui s’adresse ce type de système?

    Le plancher chauffant hydronique au glycol s’adresse principalement aux propriétaires qui planifient une nouvelle construction, une rénovation majeure ou la réalisation d’une dalle de béton (sous-sol, garage, agrandissement ou bâtiment annexe).

    Ce type de système est idéal pour ceux qui recherchent un confort supérieur, une chaleur uniforme et une solution durable bien adaptée au climat du Québec. Le meilleur moment pour demander un estimé est au stade de la planification du projet, avant le coulage de la dalle ou la fermeture des planchers, afin de pouvoir intégrer correctement le réseau de tuyauterie et optimiser la conception du système.

    Une évaluation précoce permet également de bien prévoir le budget, le choix de l’équipement et la performance globale de l’installation.

    Retarder l’inspection de l’un de ces problèmes de chauffage peut endommager et diminuer la durée de vie de votre système. Si vous êtes à la recherche d’une option abordable, n’oubliez pas que vous en avez pour votre argent. Investir dans la qualité vous fera économiser de l’argent au fil du temps. Votre confort est notre fierté.

    radiant1

    Le plancher radiant : comment ça fonctionne?

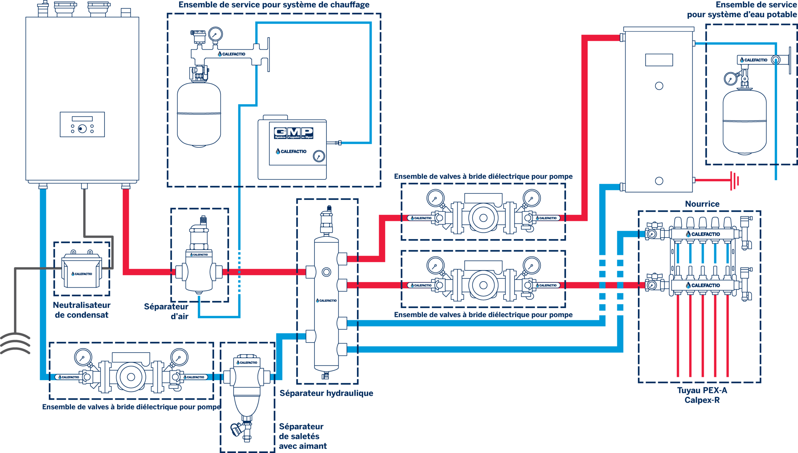
    Un plancher radiant hydronique fonctionne en faisant circuler de l’eau chaude - ou un mélange eau-glycol lorsque nécessaire - dans un réseau de tuyaux installé sous le plancher. Cette chaleur est ensuite diffusée doucement et uniformément à travers la surface du plancher, ce qui permet de chauffer la pièce de façon confortable, sans courant d’air ni variations de température.

    Contrairement aux systèmes traditionnels qui chauffent surtout l’air, le plancher radiant chauffe directement les surfaces et les occupants, créant une sensation de confort plus naturelle et constante. Le système est alimenté par une source de chaleur comme une chaudière, une thermopompe ou un autre équipement compatible, ce qui permet d’optimiser la performance énergétique selon votre installation.

    Chaque projet étant différent, la conception du système, le type d’installation et les équipements recommandés varient selon la structure, l’isolation et l’utilisation des espaces. C’est pourquoi il est fortement recommandé de demander un estimé dès la planification de votre projet, afin de valider la faisabilité, le budget et les meilleures options pour votre situation.

    Contactez-nous pour une évaluation personnalisée : notre équipe pourra vous conseiller et vous proposer une solution parfaitement adaptée à votre projet et à votre confort.

    SCHEMA-FR

    Quels sont les avantages d’un plancher radiant?

    Pourquoi de plus en plus de propriétaires choisissent le plancher radiant

    • La chaleur est douce, uniforme et constante dans toute la pièce, sans zones froides ni variations de température.
    • Aucun bruit de ventilation ni radiateurs apparents, ce qui permet un aménagement plus esthétique et plus confortable.
    • Le plancher radiant fonctionne à plus basse température que plusieurs systèmes traditionnels, ce qui peut réduire la consommation d’énergie lorsque le système est bien conçu.
    • La chaleur monte naturellement à partir du sol, ce qui améliore le confort des occupants et la sensation de bien-être.
    • Peut être combiné avec une chaudière, une thermopompe ou d’autres systèmes hydroniques selon le projet.
    • L’utilisation d’un mélange eau-glycol, lorsque requis, protège le système contre le gel et le rend particulièrement adapté aux dalles sur sol, garages et bâtiments annexes.
    • Les tuyaux utilisés sont conçus pour durer de nombreuses années et nécessitent peu d’entretien lorsque l’installation est bien réalisée.
    • Élimine la sensation de plancher froid et améliore grandement le confort des espaces en contact avec le sol.

    Avis sur notre service autour de la Rive-Sud de Montréal

    Découvrez ce que certains de nos clients ont à dire:

    “Excellent service - de la visite initiale , au dépôt de la soumission, de la prise de mesure , de la précision au niveau de la date d’installation et enfin au niveau de l’installation ( tous les travaux faits tel que stipulés sur le bon de travail) - un travail impeccable - les techniciens sympathiques et polis . Je recommande fortement cette entreprise“

    francis

    Francis Veillet

    layer_25.png
    image
    Noté 5.0
    layer_24.png
    image
    Noté 4.8

    Planifiez une consultation GRATUITE avec un Conseiller confort aujourd’hui!

    PRODUITS EXCEPTIONNELS, TECHNICIENS EXPÉRIMENTÉS

    Nouvelles installations de planchers radiants

    La technologie continue d’évoluer et les services et équipements de chauffage disponibles aujourd’hui sont plus efficaces que jamais.

    Pourquoi choisir Zone Confort Inc pour votre nouvelle installation ?

    • Installateurs experts avec des certifications de premier ordre.
    • Équipements et produits haut de gamme.
    • Inspections et dimensionnement de remplacement personnalisés.
    • Des performances qui durent et qui permettent d’économiser de l’argent.
    • Un service d’entretien personalisé.

    En savoir plus sur nos services de plancher chauffant

    L’installation d’un plancher chauffant hydronique est une excellente solution pour améliorer le confort et l’efficacité énergétique de votre habitation, que ce soit dans le cadre d’une nouvelle construction, d’une rénovation ou de l’aménagement d’une dalle de béton. Notre équipe peut évaluer votre projet, concevoir un système parfaitement adapté à vos besoins et assurer une installation durable et performante.

    Nous offrons également l’évaluation, l’optimisation et la mise à niveau de systèmes existants afin d’en améliorer la performance, la fiabilité et le confort au quotidien.

    Chez Zone Confort, nous travaillons très fort pour que nos clients soient satisfaits à 100 %. Nous sommes une entreprise familiale et nous sommes fiers de la réputation que nous avons bâtie sur la rive sud de Montréal. Chaque technicien de service de chauffage est qualifié selon les normes les plus strictes et nous maintenons plusieurs licences requises pour effectuer des travaux conformes aux réglementations du code. Nous croyons en l’établissement de relations à long terme avec nos clients, donc embaucher les meilleurs des meilleurs est une évidence.

    En fin de compte, nous voulons aider nos clients à éviter les frustrations, à prolonger la durée de vie de leurs équipements et à économiser de l’argent en réduisant la production d’énergie. Alors n’hésitez pas à nous contacter si vous avez besoin d’aide pour garder votre maison ou votre bâtiment au chaud cet hiver !